服務熱線 0755-21012230

專業電源芯片代理服務商十年專注,服務優先

新世技術-分享科技新資訊,關注智能硬件

熱門關鍵詞:

TWS藍牙耳機專用觸摸IC,通泰代理:TTP233D-HA6

返回列表 來源: 發布日期: 2020.04.29
  1. 產品特點:

  2.  工作電壓 2.4V ~ 5.5V

  3.  內建穩壓電路提供穩定的電壓給觸摸檢電路使用

  4.  內建低壓重置(LVR)功能

  5.  工作電流 @VDD=3V,無負載 低功耗模式下典型值 1.5uA、最大值 3uA

  6.  輸出響應時間大約為低功耗模式 160ms @VDD=3V

  7.  可以由外部電容 (1~50pF) 調整靈敏度

  8.  穩定的人體觸摸檢測可取代傳統的按鍵開關

  9.  提供低功耗模式

  10.  提供輸出模式選擇 (TOG pin) 可選擇直接輸出或鎖存 (toggle) 輸出

  11.  提供最長輸出時間約 16  (±35% @ VDD=3.0V)

  12.  Q pin 為 CMOS 輸出,可由 (AHLB pin) 選擇高電平輸出有效或低電平輸出有效

  13.  上電后約有 0.5 秒的穩定時間,此期間內不要觸摸 檢測點,此時所有功能都被禁止

  14.  自動校準功能:剛上電的 秒內約每  秒刷新一次參考值,若在上電后的 秒內有觸摸按鍵或  秒后仍未觸摸 按鍵,則重新                                校準周期切換為 4 秒

    應用范圍:

    各種消費性產品

    取代按鈕按鍵     

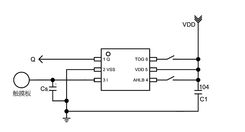
    應用電路:


    截屏2020-04-29 13.38.02

    深圳市新世技術專業代理臺灣通泰觸摸IC,免費提供技術支持及樣品歡迎來電咨詢。

【相關推薦】

查看詳情 + 上一條 臺灣通泰單鍵觸摸IC:TTP233D-HA6
查看詳情 + 下一條 電容式雙入耳檢測觸摸芯片:TTP277-G004

本文標簽: TONTEK TONTEK代理、通泰代理商、臺灣通泰代理 通泰代理:TTP233D-HA6價格

全國服務熱線

0755-21012230